Trang chủ
Giới thiệu
Phần mềm
TRẢI NGHIỆM PTN ẢO 3D
THỰC HÀNH VI XỬ LÝ ARDUINO
Liên hệ
PHÒNG THÍ NGHIỆM ẢO KỸ THUẬT SỐ, VI XỬ LÝ
MẠCH TẠO BIT CHẴN LẺ
MẠCH KIỂM TRA CHẴN LẺ
MẠCH DỒN KÊNH 8 ĐẦU VÀO
MẠCH TẠO XUNG VUÔNG DÙNG TRANSISTOR
MẠCH TẠO XUNG VUÔNG DÙNG NE555
MẠCH TẠO XUNG VUÔNG DÙNG KHUẾCH ĐẠI THUẬT TOÁN
MẠCH ĐA HÀI ĐƠN ỔN DÙNG CỔNG LOGIC NOR
ỨNG DỤNG CỦA ARDUINO
BỘ CHUYỂN ĐỔI SỐ - TƯƠNG TỰ: MẠCH DAC R/2R LADDER
BỘ CHUYỂN ĐỔI SỐ - TƯƠNG TỰ: DAC THEO PHƯƠNG PHÁP ĐIỆN THẾ
BỘ CHUYỂN ĐỔI TƯƠNG TỰ SỐ - ADC ĐẾM 4 BIT
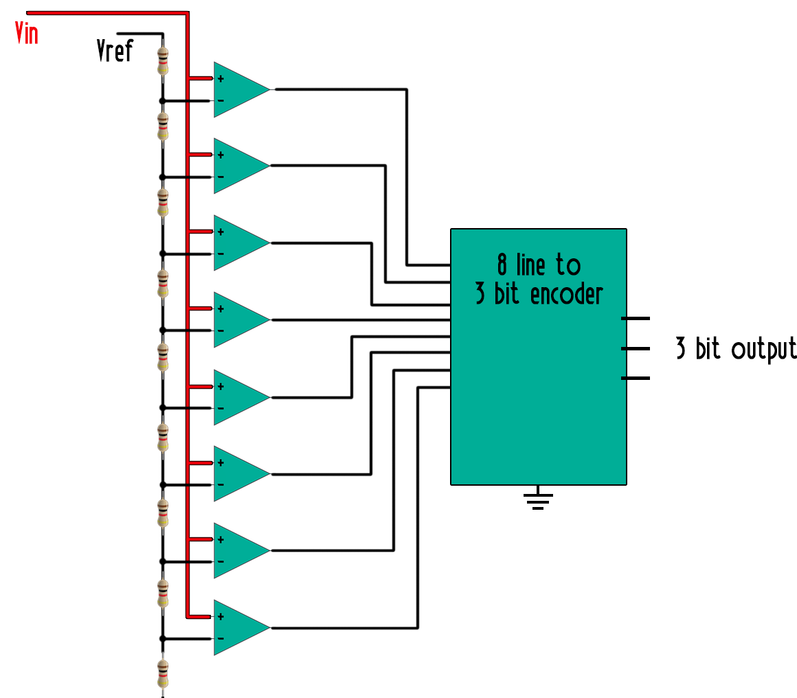
BỘ CHUYỂN ĐỔI TƯƠNG TỰ SỐ - ADC FLASH 3 BIT
BỘ GHI DỊCH 4 BIT VÀO NỐI TIẾP RA SONG SONG
BỘ ĐẾM THẬP PHÂN ĐỒNG BỘ
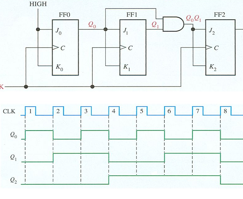
BỘ ĐẾM ĐỒNG BỘ 3 BIT
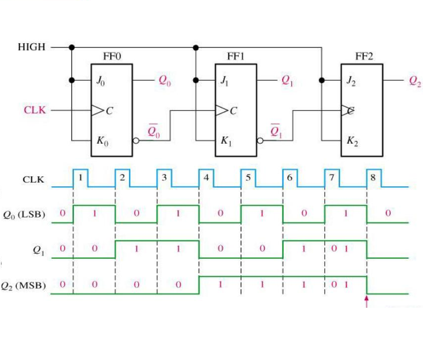
BỘ ĐẾM THẬP PHÂN KHÔNG ĐỒNG BỘ
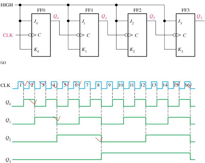
BỘ ĐẾM KHÔNG ĐỒNG BỘ 3 BIT
T FLIP FLOP
D FLIP-FLOP
JK FLIP-FLOP
1
2