Các bộ đếm nhị phân không đồng bộ có thể được mã hóa bởi các bộ mã nhị phân thuận hoặc nghịch.
Tín hiệu vào Xđ luôn được đưa vào đầu vào nhịp của FF có trọng số bé nhất. Đầu ra của FF ở tầng trước (bit có trọng số nhỏ hơn) Q hoặc Q đảo luôn được đưa vào đầu xung nhịp cho tầng sau. Khi đếm thuận lấy đầu ra thuận Q, ngược lại khi đếm nghịch lấy đầu ra nghịch Q đảo (giả thiết Ck tích cực tại sườn âm).
Quan hệ giữa số FF của bộ đếm với hệ số đếm như sau: Kđ ≤ 2n

Tín hiệu vào Xđ luôn được đưa vào đầu vào nhịp của FF có trọng số bé nhất. Đầu ra của FF ở tầng trước (bit có trọng số nhỏ hơn) Q hoặc Q đảo luôn được đưa vào đầu xung nhịp cho tầng sau. Khi đếm thuận lấy đầu ra thuận Q, ngược lại khi đếm nghịch lấy đầu ra nghịch Q đảo (giả thiết Ck tích cực tại sườn âm).
Quan hệ giữa số FF của bộ đếm với hệ số đếm như sau: Kđ ≤ 2n
Trong đó: Kđ là hệ số đếm của bộ đếm.
n: là số Flip-flop.
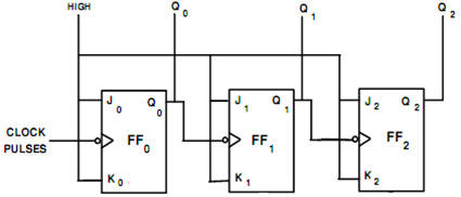
Đối với bộ đếm không đồng bộ 3 bit sơ đồ mạch dùng JK-FF như sau:
n: là số Flip-flop.
Đối với bộ đếm không đồng bộ 3 bit sơ đồ mạch dùng JK-FF như sau:

Mạch sử dụng 3 JK-FF. Các đầu vào J và K đều được nối với 1, các đầu vào xung nhịp CKA = X, CKB = A, CKC = B bảo đảm cho bộ đếm không đồng bộ hoạt động.
Xung đếm X được đưa tới đầu vào xung nhịp của FF - A, giả thiết nó tác động ở sườn âm thì vào thời điểm này sẽ có sự lật trạng thái của FF- A.
Đầu ra FF A sẽ được đưa tới đầu vào xung nhịp của FF-B, cũng giả thiết nó tác động ở sườn âm thì lúc này FF B sẽ lật trạng thái. Tương tự cho FF C.
Ở đầu ra của bộ đếm ta nhận được các tổ hợp bit nhị phân có giá trị thập phân tương ứng từ 1 đến 7 như bảng trạng thái trên. Sau trạng thái 7 bộ đếm lại quay trở về trạng thái 0 (000).
Dạng sóng ra của mạch như sau:
Xung đếm X được đưa tới đầu vào xung nhịp của FF - A, giả thiết nó tác động ở sườn âm thì vào thời điểm này sẽ có sự lật trạng thái của FF- A.
Đầu ra FF A sẽ được đưa tới đầu vào xung nhịp của FF-B, cũng giả thiết nó tác động ở sườn âm thì lúc này FF B sẽ lật trạng thái. Tương tự cho FF C.
Ở đầu ra của bộ đếm ta nhận được các tổ hợp bit nhị phân có giá trị thập phân tương ứng từ 1 đến 7 như bảng trạng thái trên. Sau trạng thái 7 bộ đếm lại quay trở về trạng thái 0 (000).
Dạng sóng ra của mạch như sau:

Bước 1: Khởi chạy sơ đồ mạch logic và sơ đồ mạch logic hiển thị LED. Quan sát tín hiệu đầu ra và giản đồ dạng sóng, đưa ra nhận xét?
Bước 2: Thay đổi tốc độ mô phỏng mạch và hiệu ứng tín hiệu của mạch bằng cách Click chuột vào các biểu tượng "Simulation Speed" và "Current Speed" tương ứng. Quan sát hiệu ứng trong mạch.
Bước 3: Thay đổi tần số của xung đồng hồ bằng cách Click đúp chuột vào biểu tượng "CLK". Quan sát tín hiệu ở đầu ra và giản đồ dạng sóng, So sánh với kết quả quan sát được ở bước thứ 1.
Bước 4: Tiến hành thực hành trên Test Board, Khởi chạy mạch lắp ráp. Quan sát tín hiệu ra, đưa ra nhận xét?
Bước 5: Thay đổi tần số xung đồng hồ f =10 Hz trên bộ phát tín hiệu. Quan sát tín hiệu ra và đưa ra nhận xét so với trường hợp ở bước 4.
Bước 6: Thay đổi biên độ tín hiệu xung đồng hồ A = 7V trên bộ phát tín hiệu. Quan sát các IC và giải thích hiện tượng?
Bước 7: Thay đổi điện áp nguồn cung cấp V = 10V, Quan sát các linh kiện trên mạch lắp ráp và giải thích hiện tượng?
Bước 2: Thay đổi tốc độ mô phỏng mạch và hiệu ứng tín hiệu của mạch bằng cách Click chuột vào các biểu tượng "Simulation Speed" và "Current Speed" tương ứng. Quan sát hiệu ứng trong mạch.
Bước 3: Thay đổi tần số của xung đồng hồ bằng cách Click đúp chuột vào biểu tượng "CLK". Quan sát tín hiệu ở đầu ra và giản đồ dạng sóng, So sánh với kết quả quan sát được ở bước thứ 1.
Bước 4: Tiến hành thực hành trên Test Board, Khởi chạy mạch lắp ráp. Quan sát tín hiệu ra, đưa ra nhận xét?
Bước 5: Thay đổi tần số xung đồng hồ f =10 Hz trên bộ phát tín hiệu. Quan sát tín hiệu ra và đưa ra nhận xét so với trường hợp ở bước 4.
Bước 6: Thay đổi biên độ tín hiệu xung đồng hồ A = 7V trên bộ phát tín hiệu. Quan sát các IC và giải thích hiện tượng?
Bước 7: Thay đổi điện áp nguồn cung cấp V = 10V, Quan sát các linh kiện trên mạch lắp ráp và giải thích hiện tượng?

