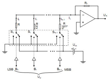
Sơ đồ mạch của một mạch DAC 4 bit dùng điện trở và bộ khuếch đại đảo, bốn đầu vào A, B, C, D có giá trị giả định lần lượt là 0V và 5V:

.png)
Bộ khuếch đại thuật toán (Operational Amplifier – Op Amp) được dùng làm bộ cộng đảo cho tổng trọng số của bốn mức điện thế vào. Các điện trở đầu vào giảm dần 1/2 lần điện trở trước nó. Nghĩa là đầu vào D (MSB) có RIN = 1k, vì vậy bộ khuếch đại cộng chuyển ngay mức điện thế tại D đi mà không làm suy giảm (vì Rf = 1k). Đầu vào C có R = 2k, suy giảm đi 1/2, tương tự đầu vào B suy giảm 1/4 và đầu vào A giảm 1/8. Do đó đầu ra bộ khuếch đại được tính bởi biểu thức:

dấu âm (-) biểu thị bộ khuếch đại cộng ở đây là khuếch đại cộng đảo. Dấu âm này chúng ta không cần quan tâm.
Ngõ ra của bộ khuếch đại cộng là mức điện thế tương tự, biểu thị tổng trọng số của các đầu vào. Dựa vào biểu thức trên tính được các mức điện áp ra tương ứng với các tổ hợp của các ngõ vào ở bảng sau:
Ngõ ra của bộ khuếch đại cộng là mức điện thế tương tự, biểu thị tổng trọng số của các đầu vào. Dựa vào biểu thức trên tính được các mức điện áp ra tương ứng với các tổ hợp của các ngõ vào ở bảng sau:

Độ phân giải của mạch DAC bằng với trọng số của LSB, nghĩa là bằng x 5V = 0.625V. Dựa vào bảng trên thấy rằng đầu ra tương tự tăng 0.625V khi số nhị phân ở đầu vào tăng lên một bậc.
Bước 1: Khởi chạy mạch mô phỏng, quan sát dạng tín hiệu vào số và giá trị tín hiệu ra tương tự. Đưa ra nhận xét?
Bước 2: Thay đổi tín hiệu vào bằng cách click chuột vào mỗi đầu vào, sau đó quan sát giá trị tín hiệu ra tượng tự tương ứng với mỗi tổ hợp đầu vào thay đổi? Giải thích kết quả?
Bước 3: Thay đổi giá trị R quan sát giá trị tín hiệu ra tương tự? Giải thích kết quả?
Bước 2: Thay đổi tín hiệu vào bằng cách click chuột vào mỗi đầu vào, sau đó quan sát giá trị tín hiệu ra tượng tự tương ứng với mỗi tổ hợp đầu vào thay đổi? Giải thích kết quả?
Bước 3: Thay đổi giá trị R quan sát giá trị tín hiệu ra tương tự? Giải thích kết quả?

