Mạch DAC sử dụng điện trở có trọng số nhị phân tạo trọng số thích hợp cho từng bit vào. Tuy nhiên có nhiều hạn chế trong thực tế. Hạn chế lớn nhất đó là khoảng cách chênh lệch đáng kể ở giá trị điện trở giữa LSB và MSB, nhất là trong các DAC có độ phân giải cao (nhiều bit). Ví dụ nếu điện trở MSB = 1k trong DAC 12 bit, thì điện trở LSB sẽ có giá trị trên 2M. Điều này rất khó cho việc chế tạo các IC có độ biến thiên rộng về điện trở để có thể duy trì tỷ lệ chính xác.
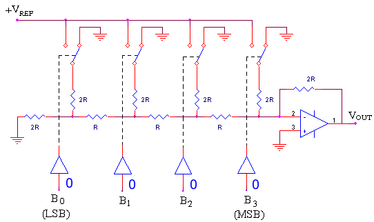
Để khắc phục được nhược điểm này, người ta đã tìm ra một mạch DAC đáp ứng được yêu cầu đó là mạch DAC mạng R/2R ladder. Các điện trở trong mạch này chỉ biến thiên trong khoảng từ 2 đến 1.

Để khắc phục được nhược điểm này, người ta đã tìm ra một mạch DAC đáp ứng được yêu cầu đó là mạch DAC mạng R/2R ladder. Các điện trở trong mạch này chỉ biến thiên trong khoảng từ 2 đến 1.

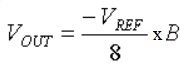
Ở sơ đồ trên các điện trở chỉ có hai giá trị được sử dụng là R và 2R. Dòng IOUT phụ thuộc vào vị trí của 4 chuyển mạch, đầu vào nhị phân B0B1B2B3 chi phối trạng thái của các chuyển mạch này. Dòng ra IOUT được phép chạy qua bộ biến đổi dòng thành điện (Op-Amp) để biến dòng thành điện thế ra VOUT. Điện thế ngõ ra VOUT được tính theo công thức:

Với B là giá trị đầu vào nhị phân, biến thiên từ 0000 (0) đến 1111(15).
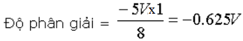
Ví dụ: Giả sử VREF = 5V của DAC ở sơ đồ trên, tính độ phân giải và đầu ra cực đại của DAC này như sau:
Độ phân giải bằng với trọng số của LSB, ta xác định trọng số LSB bằng cách gán B = 00012 = 1.
Ví dụ: Giả sử VREF = 5V của DAC ở sơ đồ trên, tính độ phân giải và đầu ra cực đại của DAC này như sau:
Độ phân giải bằng với trọng số của LSB, ta xác định trọng số LSB bằng cách gán B = 00012 = 1.

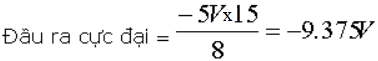
Đầu ra cực đại xác định được khi B = 11112 = 1510. Áp dụng công thức (1):

Bước 1: Khởi chạy mạch mô phỏng, quan sát dạng tín hiệu vào số và giá trị tín hiệu ra tương tự. Đưa ra nhận xét?
Bước 2: Thay đổi tín hiệu vào bằng cách click chuột vào mỗi đầu vào, sau đó quan sát giá trị tín hiệu ra tượng tự tương ứng với mỗi tổ hợp đầu vào thay đổi? Giải thích kết quả?
Bước 3: Thay đổi giá trị Vref quan sát giá trị tín hiệu ra tương tự? Giải thích kết quả?
Bước 4: Thay đổi giá trị R quan sát giá trị tín hiệu ra tương tự? Giải thích kết quả?
Bước 2: Thay đổi tín hiệu vào bằng cách click chuột vào mỗi đầu vào, sau đó quan sát giá trị tín hiệu ra tượng tự tương ứng với mỗi tổ hợp đầu vào thay đổi? Giải thích kết quả?
Bước 3: Thay đổi giá trị Vref quan sát giá trị tín hiệu ra tương tự? Giải thích kết quả?
Bước 4: Thay đổi giá trị R quan sát giá trị tín hiệu ra tương tự? Giải thích kết quả?

