Đối với bộ đếm thập phân không đồng bộ sự thay đổi trạng thái của những FF này dẫn đến sự thay đổi trạng thái của những FF khác, thường chỉ lấy Xđ đưa vào Ck của FF đầu tiên, còn các FF sau được điều khiển bởi các FF trước.
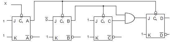
Sơ đồ bộ đếm thập phân không đồng bộ như sau:
FF thứ nhất (FF-A)chuyển trạng thái sau mỗi lần kích thích của xung đếm.
FF thứ 2 (FF-B) chỉ chuyển đổi trạng thái khi FF-Atừ 1 xuống 0 trừ trường hợp cuối cùng lúc FF-Dở mức cao (D =1).
FF thứ 3 (FF-C) chuyển đổi trạng thái khi FF-Btừ 1 xuống 0.
FF thứ 4 (FF-D) chuyển trạng thái giống FF-A tức là theo giá trị A từ 1 xuống 0 nhưng bị cấm trong suốt thời gian có xung nhịp từ 0 đến 7, cho tới khi B = C = 1 mới chuyển.
Phương trình hàm Ck cho từng FF như sau:

Sơ đồ bộ đếm thập phân không đồng bộ như sau:
.png)
FF thứ nhất (FF-A)chuyển trạng thái sau mỗi lần kích thích của xung đếm.
FF thứ 2 (FF-B) chỉ chuyển đổi trạng thái khi FF-Atừ 1 xuống 0 trừ trường hợp cuối cùng lúc FF-Dở mức cao (D =1).
FF thứ 3 (FF-C) chuyển đổi trạng thái khi FF-Btừ 1 xuống 0.
FF thứ 4 (FF-D) chuyển trạng thái giống FF-A tức là theo giá trị A từ 1 xuống 0 nhưng bị cấm trong suốt thời gian có xung nhịp từ 0 đến 7, cho tới khi B = C = 1 mới chuyển.
Phương trình hàm Ck cho từng FF như sau:
CkA= X; CkB= A; CkC= B; CkD = A.
Giản đồ dạng sóng của mạch như sau:

Từ mạch điện được xây dựng theo nguyên tắc đã nêu ở trên ta thấy cổng AND có nhiệm vụ kìm hãm FF-D từ xung 0 đến hết xung thứ 7, đến lúc B = C = 1 thì D = 1, D đảo bằng 0 cho phép hồi tiếp quay về FFB làm cho B = 0, kéo theo C = 0. Theo giản đồ thời gian ta thấy hết xung thứ 8 trạng thái của bộ đếm là 1000 tương ứng với việc vừa phân tích. Đến xung thứ 9 mạch làm việc bình thường, chỉ có FF-A chuyển trạng thái nên DCBA = 1001. Khi có xung thứ 10 thì thấy A = C = 0, theo trật tự bình thường của bộ đếm có D đảo bằng 0 nên trạng thái FFB = 0 (B = 0) qua cổng AND làm cho FF-D chuyển sang trạng thái 0 (D = 0). Sau xung thứ 10 ta nhận được DCBA = 0000, kết thúc một chu trình đếm.
Bước 1: Khởi chạy sơ đồ mạch logic và sơ đồ mạch logic hiển thị LED. Quan sát tín hiệu đầu ra và giản đồ dạng sóng, đưa ra nhận xét?
Bước 2: Thay đổi tốc độ mô phỏng mạch và hiệu ứng tín hiệu của mạch bằng cách Click chuột vào các biểu tượng "Simulation Speed" và "Current Speed" tương ứng. Quan sát hiệu ứng trong mạch.
Bước 3: Thay đổi tần số của xung đồng hồ bằng cách Click đúp chuột vào biểu tượng "CLK". Quan sát tín hiệu ở đầu ra và giản đồ dạng sóng, So sánh với kết quả quan sát được ở bước thứ 1.
Bước 4: Tiến hành thực hành trên Test Board, Khởi chạy mạch lắp ráp. Quan sát tín hiệu ra, đưa ra nhận xét?
Bước 5: Thay đổi tần số xung đồng hồ f =10 Hz trên bộ phát tín hiệu. Quan sát tín hiệu ra và đưa ra nhận xét so với trường hợp ở bước 4.
Bước 6: Thay đổi biên độ tín hiệu xung đồng hồ A = 7V trên bộ phát tín hiệu. Quan sát các IC và giải thích hiện tượng?
Bước 7: Thay đổi điện áp nguồn cung cấp V = 10V, Quan sát các linh kiện trên mạch lắp ráp và giải thích hiện tượng?
Bước 2: Thay đổi tốc độ mô phỏng mạch và hiệu ứng tín hiệu của mạch bằng cách Click chuột vào các biểu tượng "Simulation Speed" và "Current Speed" tương ứng. Quan sát hiệu ứng trong mạch.
Bước 3: Thay đổi tần số của xung đồng hồ bằng cách Click đúp chuột vào biểu tượng "CLK". Quan sát tín hiệu ở đầu ra và giản đồ dạng sóng, So sánh với kết quả quan sát được ở bước thứ 1.
Bước 4: Tiến hành thực hành trên Test Board, Khởi chạy mạch lắp ráp. Quan sát tín hiệu ra, đưa ra nhận xét?
Bước 5: Thay đổi tần số xung đồng hồ f =10 Hz trên bộ phát tín hiệu. Quan sát tín hiệu ra và đưa ra nhận xét so với trường hợp ở bước 4.
Bước 6: Thay đổi biên độ tín hiệu xung đồng hồ A = 7V trên bộ phát tín hiệu. Quan sát các IC và giải thích hiện tượng?
Bước 7: Thay đổi điện áp nguồn cung cấp V = 10V, Quan sát các linh kiện trên mạch lắp ráp và giải thích hiện tượng?

