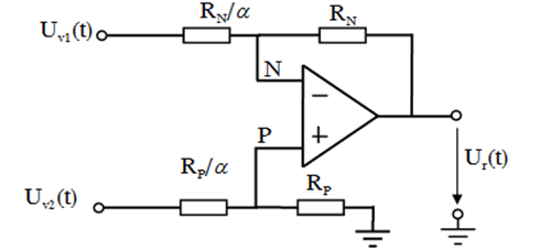
Giả sử bộ khuếch đại thuật toán là lý tưởng, có tín hiệu đặt vào cửa vào đảo và cửa vào không đảo là: Uv1(t), Uv2(t). Với điện trở tại đầu vào đảo và không đảo là: RN/a, RP/a. Khi đó điện áp ra là: Ur = a(Uv2(t) - Uv1(t)). Với a là hệ số tuỳ chọn.

Như vậy tín hiệu ra là hiệu của tín hiệu tại cửa vào không đảo trừ đi tín hiệu tại cửa vào đảo nhân với hệ số a tuỳ chọn. Vì vậy mạch điện trên gọi là mạch trừ.
Bước 1: Quan sát mạch mô phỏng hiệu ứng đưa ra nhận xét về mối quan hệ về pha, biên độ giữa tín hiệu ra và các tín hiệu vào?
Bước 2: Xác định chiều các dòng điện vào IV và dòng điện hồi tiếp Iht ? Nhận xét mối quan hệ giữa chúng?
Bước 3: Thiết lập các giá trị RN , RP và ahoàn thành bảng giá trị sau:
Bước 2: Xác định chiều các dòng điện vào IV và dòng điện hồi tiếp Iht ? Nhận xét mối quan hệ giữa chúng?
Bước 3: Thiết lập các giá trị RN , RP và ahoàn thành bảng giá trị sau:
.png)

Bước 4:Từ bảng giá trị ở bước 3 hãy cho biết tín hiệu ra phụ thuộc như thế nào vào các tham số RN , RP, a?
Click Vào đây để bắt đầu thực hành

