- Nguyên tắc hoạt động của MOSFET
Mosfet hoạt động ở 2 chế độ đóng và mở. Do là một phần tử với các hạt mang điện cơ bản nên Mosfet có thể đóng cắt với tần số rất cao. Nhưng mà để đảm bảo thời gian đóng cắt ngắn thì vấn đề điều khiển rất quan trọng.
+ Đối với kênh P : Điện áp điều khiển mở Mosfet là UGS < 0. Dòng điện sẽ đi từ S đến D
+ Đối với kênh N : Điện áp điều khiển mở Mosfet là UGS > 0. Điện áp điều khiển đóng là UGS £0. Dòng điện sẽ đi từ D xuống S.-
Do đảm bảo thời gian đóng cắt là ngắn nhất người ta thường: Đối với Mosfet Kênh N điện áp khóa là UGS = 0 V còn Kênh P thì UGS »0.
- Mạch nguyên lý khảo sát nguyên tắc hoạt động của MOSFET
Mosfet hoạt động ở 2 chế độ đóng và mở. Do là một phần tử với các hạt mang điện cơ bản nên Mosfet có thể đóng cắt với tần số rất cao. Nhưng mà để đảm bảo thời gian đóng cắt ngắn thì vấn đề điều khiển rất quan trọng.
+ Đối với kênh P : Điện áp điều khiển mở Mosfet là UGS < 0. Dòng điện sẽ đi từ S đến D
+ Đối với kênh N : Điện áp điều khiển mở Mosfet là UGS > 0. Điện áp điều khiển đóng là UGS £0. Dòng điện sẽ đi từ D xuống S.-
Do đảm bảo thời gian đóng cắt là ngắn nhất người ta thường: Đối với Mosfet Kênh N điện áp khóa là UGS = 0 V còn Kênh P thì UGS »0.
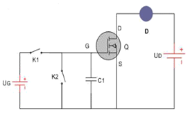
- Mạch nguyên lý khảo sát nguyên tắc hoạt động của MOSFET

+ Cấp nguồn một chiều UD qua một bóng đèn D vào hai cực D và S của Mosfet Q (Phân cực thuận cho Mosfet ngược) ta thấy bóng đèn không sáng nghĩa là không có dòng điện đi qua cực DS khi chân G không được cấp điện.
+ Khi công tắc K1 đóng, nguồn UG cấp vào hai cực GS làm điện áp UGS > 0V => đèn Q1 dẫn => bóng đèn D sáng.
+ Khi công tắc K1 ngắt, điện áp tích trên tụ C1 (tụ gốm) vẫn duy trì cho đèn Q dẫn => chứng tỏ không có dòng điện đi qua cực GS.
+ Khi công tắc K2 đóng, điện áp tích trên tụ C1 giảm bằng 0 => UGS= 0V => đèn tắt.
=> Từ thực nghiệm trên ta thấy rằng: Điện áp đặt vào chân G không tạo ra dòng GS như trong Transistor thông thường mà điện áp này chỉ tạo ra từ trường => làm cho điện trở RDS giảm xuống.
+ Khi công tắc K1 đóng, nguồn UG cấp vào hai cực GS làm điện áp UGS > 0V => đèn Q1 dẫn => bóng đèn D sáng.
+ Khi công tắc K1 ngắt, điện áp tích trên tụ C1 (tụ gốm) vẫn duy trì cho đèn Q dẫn => chứng tỏ không có dòng điện đi qua cực GS.
+ Khi công tắc K2 đóng, điện áp tích trên tụ C1 giảm bằng 0 => UGS= 0V => đèn tắt.
=> Từ thực nghiệm trên ta thấy rằng: Điện áp đặt vào chân G không tạo ra dòng GS như trong Transistor thông thường mà điện áp này chỉ tạo ra từ trường => làm cho điện trở RDS giảm xuống.
Bước 1: Khởi chạy mạch nguyên lý quan sát bóng đèn và các dòng điện chạy trong mạch khi đóng khóa K1?
Bước 2: Khởi chạy mạch lắp ráp, đóng khóa 1 (gạt công tắc lên trên) quan sát đèn LED, giải thích hiện tượng?
Bước 3:Giữ nguyên công tắc 2 đồng thời ngắt công tắc 1, quan sát đèn LED và giá trị dòng điện ID. Giải thích hiện tượng?
Bước 4:Tiếp tục giữ nguyên công tắc 1 đồng thời đóng công tắc 2, quan sát đèn LED, giải thích hiện tượng?
Bước 5:Từ hiện tượng quan sát trong các trường hợp ở các bước 1, 2, 3, 4 đưa ra kết luận về nguyên tắc làm việc của MOSFET?
Bước 2: Khởi chạy mạch lắp ráp, đóng khóa 1 (gạt công tắc lên trên) quan sát đèn LED, giải thích hiện tượng?
Bước 3:Giữ nguyên công tắc 2 đồng thời ngắt công tắc 1, quan sát đèn LED và giá trị dòng điện ID. Giải thích hiện tượng?
Bước 4:Tiếp tục giữ nguyên công tắc 1 đồng thời đóng công tắc 2, quan sát đèn LED, giải thích hiện tượng?
Bước 5:Từ hiện tượng quan sát trong các trường hợp ở các bước 1, 2, 3, 4 đưa ra kết luận về nguyên tắc làm việc của MOSFET?
1. KHẢO SÁT TRÊN MẠCH NGUYÊN LÝ
Click Vào đây để bắt đầu thực hành
2. KHẢO SÁT TRÊN TEST BOARD
Click Vào đây để bắt đầu thực hành
2. KHẢO SÁT TRÊN TEST BOARD

