Sơ đồ mạch điện mạch khuếch đại công suất đẩy kéo dùng transistor khác loại được chỉ ra ở hình dưới:
.png)
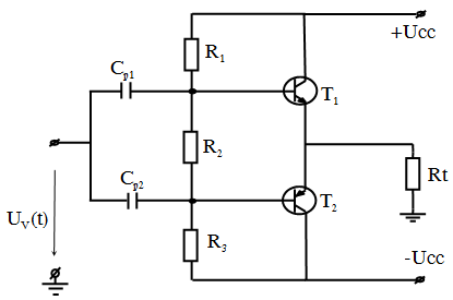
2 transistor khác loại (1 PNP, 1 NPN) được mắc theo kiểu lặp cực E. Trở tải được điều khiển bởi transistor T1 trong nửa chu kỳ dương và bởi T2 trong nửa chu kỳ âm.
Trong mạchR1, R2, R3 có nhiệm vụ định điểm làm việc cho T1 và T2
Điện trở Rt: Tải của tầng khuếch đại.
2 tụ điện Cp1, Cp2 làm nhiệm vụ dẫn tín hiệu vào.
Khi mạch chưa có tín hiệu vào trong mạch chỉ có các thành phần một chiều chạy từ điện thế cao xuống nơi điện thế thấp, lúc này mạch chưa có tín hiệu ra.
Khi có tín hiệu vào ở bán kỳ dương,tín hiệu được đưa tới cực B của transistor T1 và T2 làm T2 tắt, T1 thông, lúc này xuất hiện dòng IC1 chạy trong mạch từ dương nguồn qua cực C, cực E của T1 qua Rt về đất. Tín hiệu ra trên tải ở bán kỳ dương.
Khi tín hiệu ở bán kỳ âm tín hiệu vào được đưa tới cực B của transistor T1 và T2 làm T1 tắt, T2 thông xuất hiện dòng IC2 chạy trong mạch từ đất qua điện trở tải, cực C, cực E của T2 về âm nguồn. Tín hiệu ra trên tải là bán kỳ âm.
Công suất ra của mạch được tính theo công thức sau:
Pr = U2/(2Rt);
Trong đó: U là biên độ điện áp ra tải.
Mạch có một số đặc điểm như sau:
- Hai transistor trong mạch thay nhau làm việc và tín hiệu ra đồng pha so với tín hiệu vào.
- Mạch có kích thước nhỏ, hiệu suất cao, méo phi tuyến nhỏ.
- Nếu sử dụng nguồn cung cấp đơn, thì tụ điện ghép tín hiệu ra tải phải có giá trị điện dung lớn (khoảng hàng trăm micro Fara).
Trong mạchR1, R2, R3 có nhiệm vụ định điểm làm việc cho T1 và T2
Điện trở Rt: Tải của tầng khuếch đại.
2 tụ điện Cp1, Cp2 làm nhiệm vụ dẫn tín hiệu vào.
Khi mạch chưa có tín hiệu vào trong mạch chỉ có các thành phần một chiều chạy từ điện thế cao xuống nơi điện thế thấp, lúc này mạch chưa có tín hiệu ra.
Khi có tín hiệu vào ở bán kỳ dương,tín hiệu được đưa tới cực B của transistor T1 và T2 làm T2 tắt, T1 thông, lúc này xuất hiện dòng IC1 chạy trong mạch từ dương nguồn qua cực C, cực E của T1 qua Rt về đất. Tín hiệu ra trên tải ở bán kỳ dương.
Khi tín hiệu ở bán kỳ âm tín hiệu vào được đưa tới cực B của transistor T1 và T2 làm T1 tắt, T2 thông xuất hiện dòng IC2 chạy trong mạch từ đất qua điện trở tải, cực C, cực E của T2 về âm nguồn. Tín hiệu ra trên tải là bán kỳ âm.
Công suất ra của mạch được tính theo công thức sau:
Pr = U2/(2Rt);
Trong đó: U là biên độ điện áp ra tải.
Mạch có một số đặc điểm như sau:
- Hai transistor trong mạch thay nhau làm việc và tín hiệu ra đồng pha so với tín hiệu vào.
- Mạch có kích thước nhỏ, hiệu suất cao, méo phi tuyến nhỏ.
- Nếu sử dụng nguồn cung cấp đơn, thì tụ điện ghép tín hiệu ra tải phải có giá trị điện dung lớn (khoảng hàng trăm micro Fara).
Bước 1:Quan sát các mạch mô phỏng hiệu ứng đưa ra nhận xét về mối quan hệ về pha, biên độ giữa tín hiệu ra và tín hiệu vào? Giải thích tại sao biên độ điện áp ra xấp xỉ biên độ tín hiệu vào?
Bước 2:Dựa vào hiệu ứng mô phỏng hãy xác định chiều các dòng điệnIB1, IB2, IC1 , IC2 và dòng điện phân áp IP ? Quan sát dạng tín hiệu các dòng điện IC1 , IC2 và đưa ra nhận xét về pha và biên độ giữa chúng.
Bước 3:Thiết lập biên độ tín hiệu vào Uv = 0 V, quan sát tín hiệu ra và các dòng điện IC1 , IC2? Đưa ra nhận xét và giải thích hiện tượng?
Bước 4:Thay đổi tần số tín hiệu vào, quan sát giá trị tín hiệu ra, hoàn thành bảng sau và đưa ra nhận xét?
Bước 5:Đối với trường hợp thứ nhất (mạch sử dụng nguồn cung cấp đơn), giải thích sự ảnh hưởng của tụ điện ra đến tín hiệu ra và hiệu suất làm việc của mạch?
Bước 6:Dựa vào công thức lý thuyết hãy tính công suất ra của mạch?
Bước 2:Dựa vào hiệu ứng mô phỏng hãy xác định chiều các dòng điệnIB1, IB2, IC1 , IC2 và dòng điện phân áp IP ? Quan sát dạng tín hiệu các dòng điện IC1 , IC2 và đưa ra nhận xét về pha và biên độ giữa chúng.
Bước 3:Thiết lập biên độ tín hiệu vào Uv = 0 V, quan sát tín hiệu ra và các dòng điện IC1 , IC2? Đưa ra nhận xét và giải thích hiện tượng?
Bước 4:Thay đổi tần số tín hiệu vào, quan sát giá trị tín hiệu ra, hoàn thành bảng sau và đưa ra nhận xét?
.png)
Bước 5:Đối với trường hợp thứ nhất (mạch sử dụng nguồn cung cấp đơn), giải thích sự ảnh hưởng của tụ điện ra đến tín hiệu ra và hiệu suất làm việc của mạch?
Bước 6:Dựa vào công thức lý thuyết hãy tính công suất ra của mạch?

