Sơ đồ khối mạch dồn kênh 4:1 như sau:
.png)
Mạch dồn kênh 4:1 có 4 đầu vào x0, x1, x2, x3 và2 đầu điều khiển A0, A1.Dữ liệu ở đầu ra theo các trạng thái của tổ hợp bit vào đầu điều khiển như bảng trạng thái sau:
.png)
Từ bảng trạng thái rút ra biểu thức của đầu ra y:
.png)
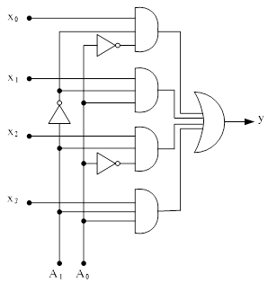
Sơ đồ mạch dồn kênh 4:1 xây dựng từ bảng trạng thái và trạng thái đầu ra y:
.png)
Bước 1: Khởi chạy mạch nguyên lý, thay đổi tổ hợp bit trên 2 đầu vào điều khiển A0, A1 và quan sát tín hiệu trên đầu ra? Đưa ra nhận xét?
Bước 2: Thay đổi dữ liệu trên các đầu vào x0, x1, x2, x3 tương ứng với mỗi tổ hợp bit trên 2 đầu vào điều khiển, quan sát tín hiệu trên đầu ra? Đưa ra nhận xét?Bước 3: Khởi chạy mạch lắp ráp trên Testboard ảo, Bật tắt các công tắc tương ứng với các tín hiệu vào và tín hiệu điều khiển, quan sát độ sáng của LED và đưa ra nhận xét?
I. SƠ ĐỒ MẠCH LOGIC
Click VÀO ĐÂY để bắt đầu thực hành
II. THỰC HÀNH TRÊN TEST BOARD
Click VÀO ĐÂY để bắt đầu thực hành
II. THỰC HÀNH TRÊN TEST BOARD

