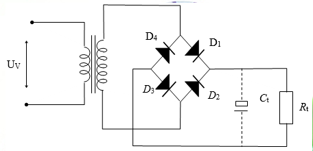
-Sơ đồ mạch điện
.png)
- Nguyên lý làm việc
Ở bán kỳ dương của điện áp vào, khi độ lớn điện áp vào lớn hơn điện áp trên tụ Ct thì D1 vàD3 thông còn D2 vàD4 tắt, tụ Ct được nạp điện. Khi độ lớn điện áp vào nhỏ hơn điện áp trên tụ Ct thì D1 vàD3 tắt, còn D2 vàD4 thông tụ, Ct phóng điện. Dạng điện áp ra giống như dạng điện áp ra của mạch chỉnh lưu cân bằng.
Dạng chỉnh lưu cầu được dùng trong trường hợp điện áp xoay chiều tương đối lớn. Nó ưu việt hơn dạng sơ đồ cân bằng ở chỗ: cuộn thứ cấp chỉ bằng 1/2 cuộn thứ cấp của mạch cân bằng, điện áp đặt vào và điện áp ngược đặt lên Diode chỉ bằng 1/2 điện áp ngược đặt lên Diode trong trường hợp mạch chỉnh lưu cân bằng. Điện áp ra cực đại khi không tải Urmax = Uvm - 2Uth (nhỏ hơn so với trường hợp sơ đồ chỉnh lưu cân bằng).
Ở bán kỳ dương của điện áp vào, khi độ lớn điện áp vào lớn hơn điện áp trên tụ Ct thì D1 vàD3 thông còn D2 vàD4 tắt, tụ Ct được nạp điện. Khi độ lớn điện áp vào nhỏ hơn điện áp trên tụ Ct thì D1 vàD3 tắt, còn D2 vàD4 thông tụ, Ct phóng điện. Dạng điện áp ra giống như dạng điện áp ra của mạch chỉnh lưu cân bằng.
Dạng chỉnh lưu cầu được dùng trong trường hợp điện áp xoay chiều tương đối lớn. Nó ưu việt hơn dạng sơ đồ cân bằng ở chỗ: cuộn thứ cấp chỉ bằng 1/2 cuộn thứ cấp của mạch cân bằng, điện áp đặt vào và điện áp ngược đặt lên Diode chỉ bằng 1/2 điện áp ngược đặt lên Diode trong trường hợp mạch chỉnh lưu cân bằng. Điện áp ra cực đại khi không tải Urmax = Uvm - 2Uth (nhỏ hơn so với trường hợp sơ đồ chỉnh lưu cân bằng).
Bước 1: Thiết lập các thông số của các linh kiện trên sơ đồ mạch điện mô phỏng như sau:
+ Rt= 10 kΩ;
+ Ct = 2.2μF;
+ Diode chỉnh lưu lựa chọn mặc định (Default);
+ Nguồn xoay chiều:
Tần số: 50 Hz;
Biên độ tín hiệu: 12V
+ Thiết lập biến áp có các thông số như sau:
Primary Inductance (H): 1m
Ratio: 0.8
Coupling Coefficient: 0.99
- Bước 2: Chạy mô phỏng
Quan sát điện áp vào và dạng điện áp ra. Xác định giá trị điện áp ra.
- Bước 3: Quan sát dòng điện chạy trên các diode ở các bán kỳ dương và bán kỳ âm của tín hiệu vào đưa ra nhận xét.
- Bước 4:Thay đổi giá trị điện dung của tụ điện và quan sát dạng tín hiệu ra, đưa ra nhận xét?
- Bước 5: Từ kết quả thu được ở bước 4 và bước 5 đưa ra kết luận về nguyên lý làm viêc của mạch chỉnh lưu cầu dùng diode?
+ Rt= 10 kΩ;
+ Ct = 2.2μF;
+ Diode chỉnh lưu lựa chọn mặc định (Default);
+ Nguồn xoay chiều:
Tần số: 50 Hz;
Biên độ tín hiệu: 12V
+ Thiết lập biến áp có các thông số như sau:
Primary Inductance (H): 1m
Ratio: 0.8
Coupling Coefficient: 0.99
- Bước 2: Chạy mô phỏng
Quan sát điện áp vào và dạng điện áp ra. Xác định giá trị điện áp ra.
- Bước 3: Quan sát dòng điện chạy trên các diode ở các bán kỳ dương và bán kỳ âm của tín hiệu vào đưa ra nhận xét.
- Bước 4:Thay đổi giá trị điện dung của tụ điện và quan sát dạng tín hiệu ra, đưa ra nhận xét?
- Bước 5: Từ kết quả thu được ở bước 4 và bước 5 đưa ra kết luận về nguyên lý làm viêc của mạch chỉnh lưu cầu dùng diode?
1. Mạch chỉnh lưu cầu
Click Vào đây để bắt đầu thực hành
2. Mạch chỉnh lưu nửa chu kỳ không có tụ lọc
Click Vào đây để bắt đầu thực hành
3. Mạch chỉnh lưu nửa chu kỳ có tụ lọc
Click Vào đây để bắt đầu thực hành
4. Mạch chỉnh lưu cả chu kỳ không có tụ lọc
Click Vào đây để bắt đầu thực hành
5. Mạch chỉnh lưu cả chu kỳ có tụ lọc
Click Vào đây để bắt đầu thực hành
Click Vào đây để bắt đầu thực hành
2. Mạch chỉnh lưu nửa chu kỳ không có tụ lọc
Click Vào đây để bắt đầu thực hành
3. Mạch chỉnh lưu nửa chu kỳ có tụ lọc
Click Vào đây để bắt đầu thực hành
4. Mạch chỉnh lưu cả chu kỳ không có tụ lọc
Click Vào đây để bắt đầu thực hành
5. Mạch chỉnh lưu cả chu kỳ có tụ lọc
Click Vào đây để bắt đầu thực hành

