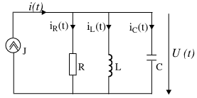
Phần 1: Đặc điểm của mạch RLC song song
Sơ đồ:
.png)
.png)
Phần 2: Cộng hưởng trong mạch RLC mắc song song
.png)
.png)
Sơ đồ:
.png)
.png)
Phần 2: Cộng hưởng trong mạch RLC mắc song song
.png)
.png)
Bước 1: Thiết lập các thông số của mạch như sau:
Giá trị điện trở R = 10 Ohm; L=0.1 mH; C = 2 mF
Giá trị nguồn xoay chiều: Biên độ: 14.1 V; tần số: 16 kHz; Pha ban đầu: 60
Bước 2: Dựa vào lý thuyết đã học, tính toán giá trị điện áp và dòng điện trên các phần tử R, L, C?
Bước 3:Vẽ các đồ thị dòng điện và điện áp vừa tính toán được ở bước 2 trên cùng một mặt phẳng tọa độ?
Bước 4: Đưa ra nhận xét về mối quan hệ (giá trị, pha) giữa điện áp và dòng điện trên điện trở, cuộn cảm, tụ điện?
Bước 5:Chạy mô phỏng (phần 1), quan sát kết quả và hoàn thiện bảng sau:
Bước 6: Từ bảng giá trị ở bước 5, đưa ra nhận xét về kết quả tính toán và kết quả mô phỏng? Đưa ra kết luận về mối quan hệ pha giữa điện áp và dòng điện trên các phần tử?
Bước 7:Dựa vào lý thuyết đã học, tính toán tần số cộng hưởng của mạch?
Bước 8:Chạy mô phỏng mạch ở phần 2 với các thông số đã thiết lập ở bước 1. Quan sát đồ thị và xác định tần số cộng hưởng?
Bước 9: Tiến hành thay đổi các tham số của mạch, chạy mô phỏng và hoàn thiện bảng sau:
.png)
Bước 10: Từ bảng giá trị ở bước 9, đưa ra nhận xét về kết quả tính toán và kết quả mô phỏng? Đưa ra nhận xét về sự phụ thuộc của đường đặc tuyến biên độ – pha vào giá trị điện trở? Đưa ra kết luận về tính kháng của mạch dựa vào đặc tuyến biên độ – pha?
Giá trị điện trở R = 10 Ohm; L=0.1 mH; C = 2 mF
Giá trị nguồn xoay chiều: Biên độ: 14.1 V; tần số: 16 kHz; Pha ban đầu: 60
Bước 2: Dựa vào lý thuyết đã học, tính toán giá trị điện áp và dòng điện trên các phần tử R, L, C?
Bước 3:Vẽ các đồ thị dòng điện và điện áp vừa tính toán được ở bước 2 trên cùng một mặt phẳng tọa độ?
Bước 4: Đưa ra nhận xét về mối quan hệ (giá trị, pha) giữa điện áp và dòng điện trên điện trở, cuộn cảm, tụ điện?
Bước 5:Chạy mô phỏng (phần 1), quan sát kết quả và hoàn thiện bảng sau:
.png)
Bước 7:Dựa vào lý thuyết đã học, tính toán tần số cộng hưởng của mạch?
Bước 8:Chạy mô phỏng mạch ở phần 2 với các thông số đã thiết lập ở bước 1. Quan sát đồ thị và xác định tần số cộng hưởng?
Bước 9: Tiến hành thay đổi các tham số của mạch, chạy mô phỏng và hoàn thiện bảng sau:
.png)
Bước 10: Từ bảng giá trị ở bước 9, đưa ra nhận xét về kết quả tính toán và kết quả mô phỏng? Đưa ra nhận xét về sự phụ thuộc của đường đặc tuyến biên độ – pha vào giá trị điện trở? Đưa ra kết luận về tính kháng của mạch dựa vào đặc tuyến biên độ – pha?
PHẦN 2: CỘNG HƯỞNG TRONG MẠCH RLC SONG SONG

