1. Định luật Kirchhoft về cường độ dòng điện
“Tổng đại số các dòng điện tại một nút bất kỳ của mạch luôn luôn bằng không”.
- Biểu thức:
“Tổng đại số các dòng điện tại một nút bất kỳ của mạch luôn luôn bằng không”.
- Biểu thức:

Trong biểu thức trên: n là số nhánh của nút,
là dòng điện trên nhánh thứ k, dòng nào có chiều tới nút lấy dấu dương (+), dòng nào có chiều rời khỏi nút lấy dấu âm (-).
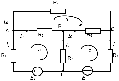
Chọn chiều dòng điện các nhánh trong mạch điện hình dưới theo chiều mũi tên
là dòng điện trên nhánh thứ k, dòng nào có chiều tới nút lấy dấu dương (+), dòng nào có chiều rời khỏi nút lấy dấu âm (-).Chọn chiều dòng điện các nhánh trong mạch điện hình dưới theo chiều mũi tên

Biểu thức định luật Kirchhoft về cường độ dòng điện là:

2. Định luật Kirchhoft về điện thế
“Trong một mạch vòng kín tổng đại số sụt áp trên các phần tử luôn luôn bằng tổng đại số các sức điện độngtrong mạch vòng ấy”.
- Biểu thức:
“Trong một mạch vòng kín tổng đại số sụt áp trên các phần tử luôn luôn bằng tổng đại số các sức điện độngtrong mạch vòng ấy”.
- Biểu thức:
.png)
Trong đó:
m là số nhánh của mạch vòng, n là số phần tử trên các nhánh của vòng.
là tổng đại số các sụt áp trong mạch vòng.
là tổng đại số các s.đ.đ trong mạch vòng.
Chú ý: Những sụt áp và s.đ.đ nào cùng chiều với chiều vòng sẽ lấy dấu dương (+), ngược với chiều vòng sẽ lấy dấu âm (-).
Với mạch điện
m là số nhánh của mạch vòng, n là số phần tử trên các nhánh của vòng.
là tổng đại số các sụt áp trong mạch vòng.
là tổng đại số các s.đ.đ trong mạch vòng.Chú ý: Những sụt áp và s.đ.đ nào cùng chiều với chiều vòng sẽ lấy dấu dương (+), ngược với chiều vòng sẽ lấy dấu âm (-).
Với mạch điện

Nếu chọn chiều các vòng a,b,c và chiều dòng điện trên các nhánh như hình vẽ ta có các phương trình Kirchhoft về điện thế cho các vòng đó là:

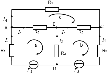
Bước 1: Xác định chiều và giá trị dòng điện trên các nhánh chứa điện trở
Bước 2: Tính tổng giá trị dòng điện tại nút A theo chiều dòng điện trên các nhánh. Đưa ra nhận xét?
Bước 2: Tính tổng giá trị dòng điện tại nút A theo chiều dòng điện trên các nhánh. Đưa ra nhận xét?

Bước 3: Chọn chiều dòng điện trên 2 vòng theo chiều kim đồng hồ. Tính tổng giá trị suất điện động và sụt áp trên các điện trở ở vòng I (chú ý chiều của vòng quy ước và chiều dòng điện trên các nhánh), so sánh 2 giá trị này?
Thực hiện tương tự đối với vòng II. Đưa ra nhận xét?
Bước 4: Tiến hành thay đổi giá trị các điện trở, giá trị nguồn điện trên các nhánh và lặp lại các bước 1, 2, 3.
Đưa ra kết luận về định luật KIRCHOFF đối với dòng điện và điện áp?
Thực hiện tương tự đối với vòng II. Đưa ra nhận xét?
Bước 4: Tiến hành thay đổi giá trị các điện trở, giá trị nguồn điện trên các nhánh và lặp lại các bước 1, 2, 3.
Đưa ra kết luận về định luật KIRCHOFF đối với dòng điện và điện áp?
Click Vào đây để bắt đầu thực hành

